1功能简介
1.1功能概述
GCAN-6057 CANopen远程IO模块是我公司自主研发的高性能通用型总线模块,基于CANopen总线设计,能有效为用户节约成本、简化配线并提升系统可靠性。该模块内置8路DI与8路DO,可实现数字量输入信号的采集与数字量信号的输出,通过控制开关,完成远程开关设备与CANopen网络的连接,从而构成CANopen网络中数据量信号采集与输出的控制节点。
GCAN-6057模块防护等级达IP67,可适应多尘、潮湿等复杂环境;其电源及CAN总线接口集成隔离保护模块,能避免瞬间过压过流对模块造成损坏,保障运行稳定性。此外,模块采用DIN导轨固定方式,便于快速集成至各类控制柜中,提升系统搭建效率。
1.2性能特点
(1)CAN-bus支持CAN2.0A和CAN2.0B帧格式,符合ISO/DIS 11898规范;
(2)CAN-bus通讯波特率在10Kbps~1Mbps之间任意可编程;
(3)CAN-bus接口采用电气隔离,隔离模块绝缘电压:DC 1500V;
(4)电源采用24V DC(-15%/+20%);
(5)P型数字量输入通道数:8路;
(6)数字量输入ON信号:电压≥9V DC;输入OFF信号:电压≤5V DC;
(7)P型数字量输出通道数:8路;
(8)数字量输出电压为模块的工作电压24V,输出电流最大值为500mA(单通道);300mA(通道同时输出);
(9)EMC抗干扰通道支持:模块供电通道、CAN通道;
(10)模块供电通道:静电接触放电±4KV,静电空气放电±8KV,电快速瞬变脉冲群±2KV,雷击(浪涌)±1KV;
(11)CAN通道:1500VDC电气隔离,静电接触放电±8KV,电快速瞬变脉冲群±2KV,雷击(浪涌)±4KV;
(12)使用拨码开关配置模块波特率;(13)防护等级:IP67;
(14)工作温度范围:-40℃~+85℃;
(15)尺寸:长160mm*宽57mm*高22.5mm。
1.3典型应用
(1)工业现场网络数据监控;
(2)煤矿、油井远程通讯;
(3)CAN教学应用远程通讯;
(4)CAN工业自动化控制系统;
(5)智能楼宇控制数据广播系统等CAN-bus应用系统。
2、设备安装
本章节将详细说明GCAN-6057 CANopen远程IO模块的安装方法、接线方法、指示灯的含义与接口的含义。
2.1设备外观及尺寸
GCAN-6057外观如图2.1所示,(长)160mm*(宽)57mm*(高)22.5mm。如图所示。
图2.1 GCAN-6057模块外形尺寸图
2.2接口定义及功能
GCAN-6057模块集成1路CAN总线(2个CAN接口),2组电源接口(电源内部已短接,只需接1组即可),8组DI接口,8组DO接口。GCAN-6057模块的接口位置如图2.2所示,接口定义如表所示。
GCAN-6057模块自带插头及线缆,线缆颜色详见下表:
图2.2 GCAN-6057各接口位置

表2.1电源+CAN接口定义
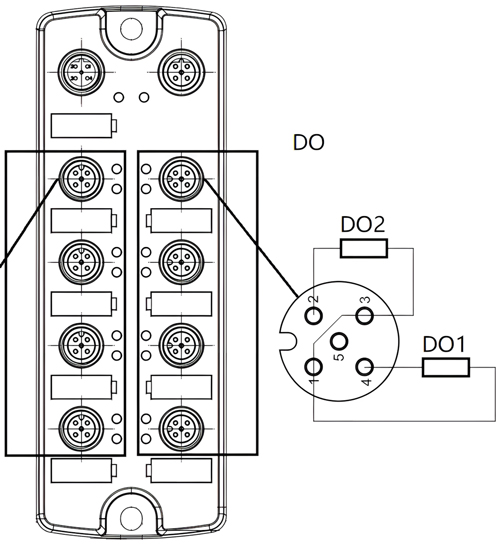
2.2.1 DO接口定义及接线方法
GCAN-6057的主控模块IO含有左右两排端子排,右侧端子排为DO端子排(每一个DO插头的引脚1和3内部已短接),如图所示。各个端子对应的序号及其含义如表2.2所示。
表2.2 GCAN-6057 CANopen模块DO端子定义
P型输出接线如图所示:
图2.3 GCAN-6057 DO接线图
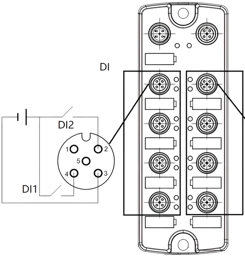
2.2.2DI接口定义及接线方法
GCAN-6057的主控模块IO含有左右两排端子排,左侧端子排为DI端子排,如图所示。各个端子对应的序号及其含义如表2.3所示。
表2.3 GCAN-6057 CANopen模块DI端子定义
P型输入接线如图所示:
图2.4 GCAN-6057 DI接线图
2.3系统状态指示灯
GCAN-6057 CANopen远程IO模块有两组指示灯,分别为系统状态指示灯和DAT指示灯。
图2.5 GCAN-6057指示灯状态
表2.4 GCAN-6057指示灯状态

图2.6 GCAN-6057 CANopen IO指示灯状态
IO指示灯用来指示设备IO的运行状态。
表2.5 GCAN-6057 DI指示灯状态

表2.6 GCAN-6057 DO指示灯状态
3设备使用
3.1电源连接
GCAN-6057模块支持工业现场常见的+9-30V DC直流电源。为保证模块可靠工作,建议您使用+12V或+24V的DC直流稳压电源。
GCAN-6057模块电源提供反接保护,可防止用户因电源接线错误损坏模块。
3.2与CAN-bus连接
GCAN-6057模块接入CAN总线连接方式为将CAN_H连CAN_H,CAN_L连CAN_L即可建立通信。
CAN-bus网络采用直线拓扑结构,总线最远的2个终端需要安装120Ω的终端电阻;如果节点数目大于2,中间节点不需要安装120Ω的终端电阻。对于分支连接,其长度不应超过3米。CAN-bus总线的连接如图3.1所示。
图3.1 CAN-bus网络的拓扑结构
请注意:CAN-bus电缆可以使用普通双绞线、屏蔽双绞线。理论最大通信距离主要取决于总线波特率,最大总线长度和波特率关系详见表3.1。若通讯距离超过1km,应保证线的截面积大于Φ1.0mm2,具体规格应根据距离而定,常规是随距离的加长而适当加大。
表3.1波特率与最大总线长度参照表
3.3CAN总线终端电阻
为了增强CAN通讯的可靠性,消除CAN总线终端信号反射干扰,CAN总线网络最远的两个端点通常要加入终端匹配电阻,如图3.2所示。终端匹配电阻的值由传输电缆的特性阻抗所决定。例如双绞线的特性阻抗为120Ω,则总线上的两个端点也应集成120Ω终端电阻。如果网络上其他节点使用不同的收发器,则终端电阻须另外计算。
图3.2 GCAN-6057与其他CAN节点设备连接
请注意:GCAN-6057模块内部未集成120Ω终端电阻。如果节点数目大于2,中间节点不需要安装120Ω的终端电阻。需要使用时,将电阻两端分别接入CAN_H、CAN_L即可,如图3.2所示。
4、通讯报文格式
本章将使用广成科技USBCAN-II Pro模块及GCANTools软件可以进行CAN总线数据的接收与发送。软件附带的CANopen主站功能可以帮助调试CANopen从站,非常的方便实用。
使用广成科技的USBCAN总线分析仪可模拟CAN总线通信设备,进行GCAN-6057模块的通讯测试。USBCAN总线分析仪是一种直观的CAN总线调试分析工具,使用该设备可以通过电脑监控、模拟CAN数据收发,是从事CAN总线行业的工程师必备的工具。
4.1节点状态
GCAN-6057模块满足标准CANopen CiA 301协议,是标准的CANopen从站设备。GCAN-6057启动后将主动发出一帧数据给主站,帧ID为0x700+Node ID。
例如:通过拨码开关设置GCAN-6057的Node ID为1(以下节点号均为1),则USBCAN-II Pro作为主站设备可接收到一条节点状态数据,帧ID为0x701,帧数据为0x7F。如图4.1所示,使用GCANTools软件可以收到这条数据。启动数据中,帧数据的第一个字节为节点状态值(Node state values)。当该值为0x04时,说明节点处于停止状态;当该值为0x05时,说明节点处于操作状态;当该值为0x7F时,说明节点处于预操作状态。
图4.1启动命令监控界面
GCAN-6057模块接收由主站发出的操作指令,帧ID为0x000,DLC为2,帧数据第一个字节为命令符,第二个字节为节点号(00则为全部节点)。
例如:GCAN-6057的Node ID为1,命令GCAN-6057为进入操作状态(01),则NMT命令帧ID为0x000,帧数据为0x01,0x01。该命令也可由GCANTools软件的CANopenMaster插件发出。
图4.2 NMT命令发送界面
使用GCANTools软件命令GCAN-6057进入操作状态的步骤是:①将从站节点号填入ID后面的文本框中,②点击添加从站按钮,③打开节点左侧的+号,并点击“NMT”,④选择“Start Remote Node”(默认),点击下方的“NMT”按钮。如图4.3所示,发送后可在GCANTools监控界面中查看到NMT命令。
接收到NMT指令之后,GCAN-6057将开始广播PDO数据,并发出帧ID为0x701,帧数据为0x05的心跳指令,说明GCAN-6057已进入操作状态,自动接收输入DI状态,帧ID为0x180+节点号(Node ID),数据长度(DLC)为3。
图4.3 NMT命令监控界面
4.2默认模式:控制输出
GCAN-6057模块在接收RPDO数据时,需保证帧ID为0x200+节点号(NodeID),数据长度为1字节,该字节用于设置第0到7输出通道的状态,其中输出通道7处于高位,输出通道0处于低位。
例如,GCAN-6057模块节点号设为1。需设置通道4和通道0状态为1,设置其他状态均为0,则需要发送的CAN总线DO状态数据为11。需要发送给GCAN-6057的帧ID为0x201,数据长度(DLC)为1,帧数据为0x11。
4.3默认模式:反馈输入+反馈输出+反馈输出错误
GCAN-6057模块发出的TPDO数据帧ID为0x180+节点号(Node ID),数据长度为3字节,帧数据第1个字节即为该模块数字量输入状态,帧数据第2个字节为该模块数字量输出状态,帧数据第3个字节为该模块数字量输出错误状态。
1)反馈的输入状态由第1个字节来表示,该字节用于反馈第0到7输入通道的状态,其中输入通道7处于高位,输入通道0处于低位。
例如,GCAN-6057模块节点号设为1。输入通道6和输入通道2状态为1,其他状态均为0。则反馈的帧ID为0x181,数据长度(DLC)为3,第1个字节,反馈DI状态的帧数据为0x44。
2)反馈的输出状态由第2个字节来表示,该字节用于反馈第0到7输出通道的状态,其中输出通道7处于高位,输出通道0处于低位。
若通过4.2章节设置输出通道4和输出通道0状态为1,其他状态均为0(控制输出方法详见4.2章)。则反馈的帧ID为0x181,数据长度(DLC)为3,第2个字节,反馈DO状态的帧数据为0x11。
3)反馈输出的错误状态由第3个字节来表示,正常输出时,当前字节显示0;当输出端对地短路时,当前字节显示1,同时该故障通道会自动切断输出。
若需恢复该故障通道,请先排除输出端对地短路等故障,随后依据第4.2章“输出控制”所述方法,对当前通道执行复位(置0)后再进行置位(置1)操作,即可恢复正常输出。
4.4 SDO修改节点ID+波特率
服务数据对象SDO(ServiceDataObjects)主要用来访问节点的对象字典,可以直接对GCAN-6057模块的ID和波特率进行读写配置。ID和波特率修改完成,重新上电后,配置生效。
GCAN-6057模块可通过发送SDO命令写参数,修改模块的ID。模块的ID位于对象字典索引0x3100、子索引0x00,数据类型Unsigned8。
数据举例:2F 00 31 00 03 00 00 00,修改模块的ID为0x03;
GCAN-6057模块可通过发送SDO命令写参数,修改模块的波特率。模块的波特率位于对象字典索引0x3101、子索引0x00,数据类型Unsigned32。
数据举例:23 01 31 00 20 A1 07 00,修改模块的波特率为0x07A120,转换为10进制是500Kbps。
从机(GCAN-6057模块)应答写入对象字典的值写入成功:
从机(GCAN-6057模块)应答写入对象字典的值写入失败:
4.5 SDO修改输入+输出模式(PWM脉冲输出+计数输入)
服务数据对象SDO(ServiceDataObjects)主要用来访问节点的对象字典,可以直接对GCAN-6057模块的输出和输入模式进行读写配置。输入输出模式修改完成,配置生效;重新上电后,恢复默认普通输出+输入。
GCAN-6057模块可通过发送SDO命令写参数,修改模块的输入模式。模块的输入模式位于对象字典索引0x3102、子索引0x0到0x03对应输入1到4路通道,数据类型Unsigned8,数据1修改为高速计数输入,数据0修改为普通输入。
数据举例:2F 02 31 00 01 00 00 00,修改模块的输入1通道为高速计数输入;
数据举例:2F 02 31 03 00 00 00 00,修改模块的输入4通道为普通输入;
GCAN-6057模块可通过发送SDO命令写参数,修改模块的输出模式。模块的输出模式位于对象字典索引0x3103、子索引0x0到0x07对应输出1到8路通道,数据类型Unsigned8,数据1修改为pwm脉冲输出,数据0修改为普通输出。
数据举例:2F 03 31 00 01 00 00 00,修改模块的输出1通道为pwm脉冲输出;
数据举例:2F 03 31 07 00 00 00 00,修改模块的输出8通道为普通输出;
从机(GCAN-6057模块)应答写入对象字典的值写入成功:
从机(GCAN-6057模块)应答写入对象字典的值写入失败:
4.6高速模式:控制PWM脉冲输出
GCAN-6057模块在接收RPDO数据时,控制1个输出通道的数据长度为6字节,其中前4字节用于控制PWM脉冲频率,后2字节用于控制占空比:
数据举例:帧ID301,帧数据E8 03 00 00 88 13 00 00,控制模块的输出1通道的频率为0x000003E8,即10进制1000HZ;输出1通道的占空比为0x1388,即10进制5000,即占空比50%。
4.7高速模式:控制普通输出+高速输入计数复位
若通道既配置有高速模式,也有普通模式。则普通模式:GCAN-6057模块在接收RPDO数据时,需保证帧ID为0x200+节点号(Node ID),数据长度为2字节。
1)控制普通输出:第1个字节用于设置第0到7输出通道的状态,其中输出通道7处于高位,输出通道0处于低位;
例如,GCAN-6057模块节点号设为1。需设置通道4和通道0状态为1,设置其他状态均为0,则需要发送的CAN总线DO状态数据为11。需要发送给GCAN-6057的帧ID为0x201,数据长度(DLC)为2,第1个字节,控制普通输出的帧数据为0x11。
2)高速输入计数复位:第2个字节用于复位高速计数输入通道:通道bit位由0置1,复位计数数据:
例如,GCAN-6057模块节点号设为1。复位通道2的计数数据。则需要发送2帧数据:
1)发送给GCAN-6057的帧ID为0x201,数据长度(DLC)为2,帧数据为0x00 0x00;
2)发送给GCAN-6057的帧ID为0x201,数据长度(DLC)为2,帧数据为0x00 0x04;
4.8高速模式:反馈高速计数及频率输入
GCAN-6057模块发出的TPDO数据帧时,1个输入通道的数据长度为8字节,其中前4字节为计数,后4字节为频率:
4.9高速模式:反馈普通输入+反馈普通输出+输出错误反馈
若通道既配置有高速模式,也有普通模式。则普通模式:GCAN-6057模块发出的TPDO数据帧ID为0x180+节点号(Node ID),数据长度为3字节,帧数据第1个字节即为该模块数字量输入状态,帧数据第2个字节为该模块数字量输出状态,帧数据第3个字节为该模块数字量输出错误状态。
1)反馈的输入状态由第1个字节来表示,该字节用于反馈第0到7输入通道的状态,其中输入通道7处于高位,输入通道0处于低位。
2)反馈的输出状态由第2个字节来表示,该字节用于反馈第0到7输出通道的状态,其中输出通道7处于高位,输出通道0处于低位。
3)反馈输出的错误状态由第3个字节来表示,正常输出时,当前字节显示0;当输出端对地短路时,当前字节显示1,同时该故障通道会自动切断输出。若需恢复该故障通道,请先排除输出端对地短路故障,随后依据第4.2章“输出控制”所述方法,对当前通道执行复位(置0)后再进行置位(置1)操作,即可恢复正常输出。
5、技术规格